
Technical Workshop Guide: Case CX130 CX210 CX240 Mini Excavator Service Manual
Need to fix your equipment? This professional service guide is the official resource for expert mechanics. It includes specific electrical wiring diagrams and hydraulic troubleshooting steps tailored for this specific model.
This technical documentation for the Brand series provides OEM specifications, torque settings, and assembly instructions.
- Official Brand Category: VIEW ALL BRAND MANUALS
- Model Focus: High-resolution data for Case CX130 CX210 CX240 Mini Excavator Service Manual.
What's inside this Brand manual?
- Engine Overhaul
- Transmission Specs
- Hydraulic Schematics
- Electrical Diagrams
- Diagnostic Codes
- Maintenance Intervals
Case CX130
Case Cx130 Cx160 Hydraulic Training Manual

Case CX130 CX160 CX210 CX240 Mini Excavator Service Manual
Make Model
CASE
4TA390
CASE
4TA390
CASE
6TAA590
CASE
6TAA590
HP (net) 106 106 138 163
Cold Start Ether Ether Electric Electric
Rated rpm 2200 2200 1950 2150
TABLE OF CONTENTS
Section 1 – General Introduction
PAGE NO.
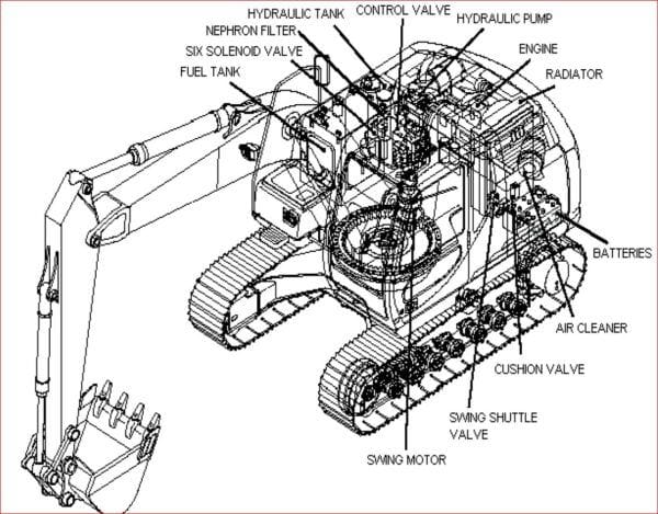
Engines .
Reservoir.
Filters .
Pumps.
Pilot System
Hydraulic Systems
Cushion Control
Swing
Travel
Cylinders
Electrical System.
CX130, CX160, CX210, CX240

Case CX130 CX160 CX210 CX240 Mini Excavator Service Manual
The CX Series Excavators use a variable volume piston pump system to be able to fully use the engine horsepower available. As the system operating pressure increases, the flow gradually reduces, to maintain a constant horsepower load on the engine.
The theory is that when very high pressures are required, speed isn’t so relevant.
The CX Series Excavators use a two section variable displacement piston pump, to provide the flow required to operate the functions.
Case CX130 CX160 CX210 CX240 Mini Excavator Service Manual