
Hitachi Ex120-5 Circuit Diagram Service Repair Manual
Hitachi Ex120-5 Excavator Parts Catalog Manual
Model Specification: Hitachi EX120-5 Excavator
Language: English
File Format: PDF
Requirements: Adobe PDF Reader & WinZip
Compatible: All Versions of Windows & Mac, Linux OS, Iphone, Ipad, Android etc…

This is the COMPLETE Service Repair Manual for the Hitachi EX120-5 Excavator. It contains profound information about maintaining, assembly, disassembly and servicing your Hitachi EX120-5 Excavator.
This Hitachi Manual contains information and data to this model. Has specs, diagrams, and actual real photo illustrations, and schemes, which give you complete step by step operations on repair, Diagnosing, servicing, technical maintenance & troubleshooting procedures for your machine.
This manual offers full information you need for repair your machine. The information in this manual will enable you to find trouble and to understand how to repair and maintain your machine without going into service.
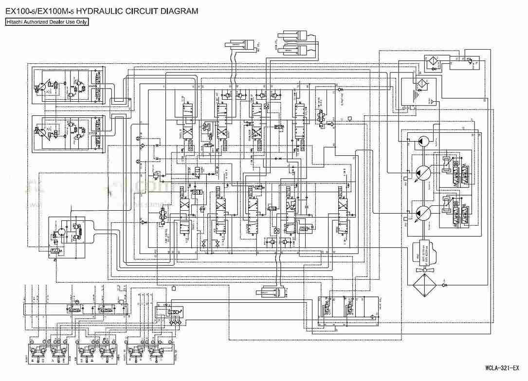
Hitachi Ex120-5 Service Repair Manual Circuit Diagram Harness
Workshop Manual Contents:
Introduction
Safety
Section 1 General Information
1 Precautions For Disassembling And Assembling
2 Tightening Torque
Section 2 Upper structure
1 Cab
2 Counterweight
3 Main Frame
4 Pump Device
5 Control Valve
6 Swing Device
7 Pilot Valve
8 Pilot Shut-Off Valve
9 Shockless Valve
10 Solenoid Valve
11 Pilot Relief Valve Unit
Section 3 Undercarriage
1 Swing Bearing
2 Travel Device
3 Center Joint
4 Track Adjuster
5 Front Idler
6 Upper And Lower Roller
7 Track
Section 4 Front Attachment
1 Front Attachment
2 Cylinder
Section 5 Engine
1 General Introduction
2 Maintenance
3 Engine Assembly 1 (Disassembly)
4 Engine Assembly 2 (Inspection And Repair)
5 Engine Assembly 3 (Reassembly)
6 Lubricating System
7 Cooling System
8 Fuel System
9 Turbocharger
10 Air Compressor
11 Engine Electrical
12 Troubleshooting
13 Special Tool List
14 Conversion TableTechnical Manual (Operational Principle, Troubleshooting) Contents:
Introduction
Safety
Section 1 General
1 Specifications
2 Component Layout
Section 2 System
1 Control System
2 Hydraulic System
3 Electrical System
Section 3 Component Operation
1 Pump Device
2 Swing Device
3 Control Valve
4 Pilot Valve
5 Travel Device
6 Others (Upperstructure)
7 Others (Undercarriage)
Section 4 Operational Performance Test
1 Introducution
2 Engine Test
3 Excavator Test
4 Component Test
5 Standard
Section 5 Troubleshooting
1 Diagnosing Procedure
2 Component Layout
3 Troubleshooting A
4 Troubleshooting B
5 Troubleshooting C
6 Electrical System Inspection
7 Harness Check
Circuit Diagram & Harness Contents:
Ex120-5 Electrical Circuit Diagram (Machines Produced Up To End Of July 98)
Ex120-5 Electrical Circuit Diagram (Machines Produced From Beginning Aug.98)
Ex120-5 Engine Harness
Ex120-5 Relay Harness (Machines Produced Up To End Of July 98)
Ex120-5 A/C Harness (Machines Produced Up To End Of July 98)
Ex120-5 Connectors (Machines Produced Up To End Of July 98)
Ex120-5 Connectors (Machines Produced From Beginning Aug.98)
Ex120-5 Cab Harness
Ex120-5 Relay Harness (Machines Produced From Beginning Aug.98)
Ex120-5 A/C Harness (Machines Produced From Beginning Aug.98)