
Technical Workshop Guide: Daewoo Doosan Solar 75-V 075-V Schematics Service Repair Manual
Need to fix your equipment? This professional service guide is the official resource for expert mechanics. It includes specific electrical wiring diagrams and hydraulic troubleshooting steps tailored for this specific model.
This technical documentation for the Daewoo Doosan series provides OEM specifications, torque settings, and assembly instructions.
- Official Brand Category: VIEW ALL DAEWOO DOOSAN MANUALS
- Model Focus: High-resolution data for Daewoo Doosan Solar 75-V 075-V Schematics Service Repair Manual.
What's inside this Daewoo Doosan manual?
- Engine Overhaul
- Transmission Specs
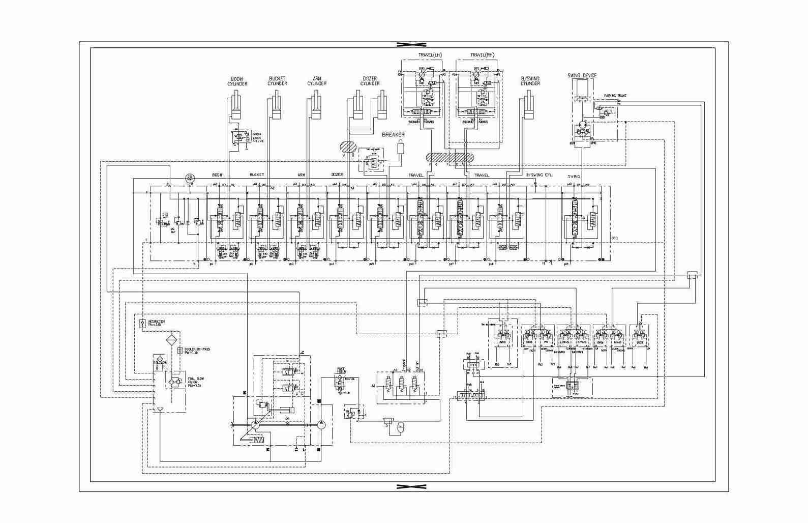
- Hydraulic Schematics
- Electrical Diagrams
- Diagnostic Codes
- Maintenance Intervals
Daewoo Doosan Solar 75-V 075-V Schematics Service Repair Manual
Before getting on or off the machine, if there is any oil. Grease, or mud on the handrails, steps, or track shoes, wipe it off immediately. Always keep these parts clean. Repair any damage and tighten any loose bolts. Never jump on or off the machine. In particular, never get on or off a moving machine. These actions may lead to serious injury.

When getting on or off the machine, always face the machine, and maintain three-point contact (both feet and one hand or one foot and both hands) with the handrails, steps, and track shoes to ensure that you support yourself securely.
Never hold any control levers when getting on or off the machine.
Daewoo solar 75v
Daewoo Solar 75-V: The Daewoo Solar 75-V is a powerful and versatile excavator designed for various construction and digging applications. With its robust build and advanced features, this excavator offers exceptional performance and reliability. Here are some key elements of the Daewoo Solar 75-V:
- Engine power: The Daewoo Solar 75-V is equipped with a high-performance engine that delivers impressive power for efficient operation.
- Hydraulic system: The excavator features an advanced hydraulic system that provides precise control and smooth operation, ensuring optimal performance in various working conditions.
- Bucket capacity: The Daewoo Solar 75-V offers a spacious bucket capacity, allowing for efficient digging and loading of materials.
- Cabin comfort: The operator’s cabin is designed for comfort and productivity, with ergonomic controls, adjustable seating, and excellent visibility.
- Easy maintenance: The excavator is designed for easy maintenance, with convenient access to key components and a user-friendly interface for regular servicing.
Daewoo solar 55 manual
Daewoo Solar 55 manual is a comprehensive guide that provides detailed information and instructions for servicing and repairing the Daewoo Doosan Solar 55-V excavator. This manual is an essential resource for technicians and operators, as it contains schematics, diagrams, and step-by-step procedures for troubleshooting, maintenance, and repair tasks. It covers various components of the Daewoo Solar 55-V, including the engine, hydraulic system, electrical system, and more. With this manual, users can effectively identify and resolve issues, ensuring the excavator’s optimal performance and longevity.
Here is a list of key features and benefits of the Daewoo Solar 55 manual:
- Comprehensive coverage: The manual provides detailed information on all aspects of the Daewoo Doosan Solar 55-V excavator, including its various systems and components.
- Schematics and diagrams: It includes clear and easy-to-understand schematics and diagrams, allowing users to visualize the excavator’s structure and understand its functioning.
- Step-by-step procedures: The manual offers step-by-step instructions for various maintenance and repair tasks, making it easier for users to perform these tasks accurately and efficiently.
- Troubleshooting guide: It provides a comprehensive troubleshooting guide, helping users identify and resolve common issues and problems that may arise during operation.
- Proper maintenance: The manual emphasizes the importance of regular maintenance and provides guidelines for carrying out routine maintenance tasks, ensuring the excavator’s optimal performance and minimizing the risk of breakdowns.
- Cost-effective: By following the manual’s instructions, users can effectively maintain and repair the Daewoo Doosan Solar 55-V excavator, reducing the need for costly professional services.
- Reliable resource: The manual is a reliable resource that has been developed by experts, ensuring its accuracy and reliability.
With the Daewoo Solar 55 manual, users can enhance their knowledge and skills in servicing and repairing the Daewoo Doosan Solar 55-V excavator, enabling them to keep the machine in excellent working condition and maximize its productivity.
Apply the door lock securely. If you grip the handrail inside the door when moving on top of the track shoes, and the door lock is not applied securely, the door may move and cause you to fall.